!!! ATTENTION !!!
Ce projet est toujours en cours de réalisation, il ne reste plus qu'à monter le module pour le tester, mais en théorie cela fonctionne ... Toutes les ressources nécessaires à sa construction sont disponibles.

Fonctionnement

Description

Ce module permet de mettre en forme des mini-impulsions à partir d'un signal d'horloge de durée cyclique quelqonque ou d'un signal de gate. On peut donc qualifier ce module de convertisseur Gate / Trig. Il a été réalisé pour pouvoir parfaire le fonctionnement du séquenceur 3x8 (voir ici). Il peut aussi être utilisé seul en tant que module autonome. Il s'alimente via une alimentation de type Yusynth (+15V / GND / -15V).

Caractéristiques

- 1 entrée d'horloge ou de Gate

- 3 sorties séparées

- Utilisation couplée avec le séquenceur 8x3 ou en mode autonome (choix avec levier)

- Possibilité d'avoir en sortie une impulsion ou une tension continue de 10 volts (choix avec levier)

- Couplé avec un séquenceur 8x3, pour chaque pas d'une séquence : impulsion sur A ou B ou sur aucun des deux (avec leviers)

- Sur chaque sortie, lire soit A ou B soit toutes les impulsions (avec leviers)

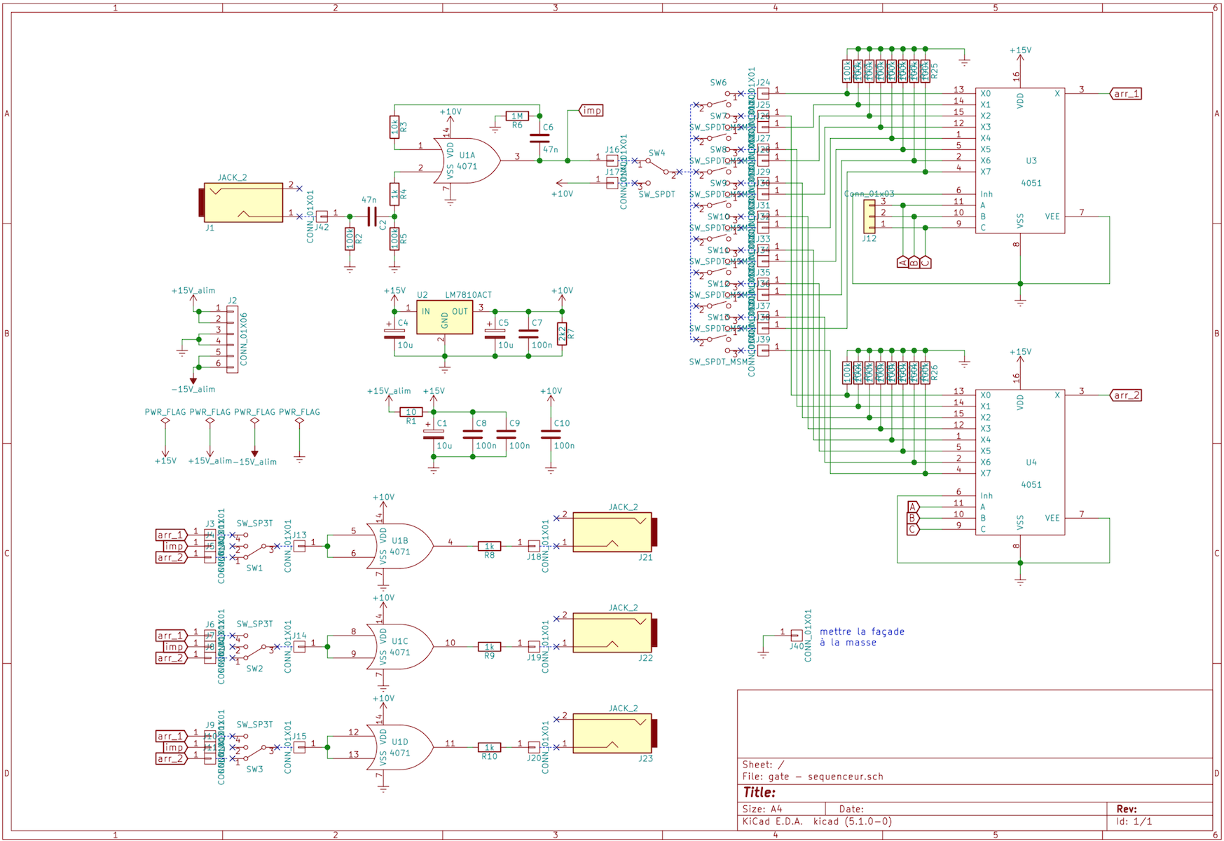
Schéma de fonctionnement

Ci dessous le schéma de fonctionnement de l'ensemble du module :

schéma de l'ensemble (cliquez pour agrandir)

Alimentation

Ici on utilise une alimentation externe de type symétrique en 15 volts (+15V / GND / -15V), car le module a été créé pour être utilisé au sein d'un synthétiseur modulaire YuSynth. Pour avoir les dix volts nécessaires pour la création d'un signal de Gate, j'ai tout simplement utilisé un régulateur de tension de dix volts en lui associant ses propres condensateurs de découplage et une résistance assurant toujours une consommation minimale de courant.

Il y a aussi présence des traditionnels condensateurs de découplages situés entre les bornes d'alimentation des circuits intégrés présents sur le PCB et de la résistance protégeant l'amont de l'alimentation en cas de surintensité.

Mettre en forme une impulsion

À partir d'un créneau de durée quelquonque, pour obtenir une très courte impulsion, on va utiliser un montage à base de porte "ou" comme expliqué dans cette partie.

Ce montage est axé autour d'un générateur d'impulsions basé lui même sur une porte logique de type "ou". On ajoute avant celui-ci une résistance de 1kOhm ayant pour but d'absorber les surintensités générées par l'insertion ou l'enlèvement d'un jack dans son support. Ce montage nous donne en sortie une impulsion de durée égale à T=0,7xR6xC6. Le problème de ce montage est le suivant : lorsqu'aucun jack n'est inséré, R1 a "une patte en l'air". Le monostable se comporte donc n'importe comment, dans ce cas là, il lit sur l'entrée 0 ou 1 sans raison...

On réalise donc le montage ci-dessous pour corriger ce défaut :

Le rôle de R5 est de relier l'entrée à la masse. Lorsqu'aucun jack n'est inséré, le monostable lit donc 0 volt (soit l'état logique 0). Mais il y a encore un problème, le montage ci-dessus ne fonctionne que lorsque l'impulsion en entrée est de durée inférieure à la durée souhaitée en sortie du monostable. Pour régler ce problème, on va réaliser un montage générant une impulsion de durée infime, qu'on va envoyer dans le montage ci-contre.

Voilà le montage final permettant d'éliminer le défaut énoncé précédemment :

Fonctionnement avec tension continue de 10 volts

Grâce à un interrupteur situé en façade (sur schéma : SW4), il est possible de fonctionner non pas avec des impulsions, mais avec un seuil continu fixé à 10 volts. Le chronogramme ci-dessous permet de differencier les deux modes.

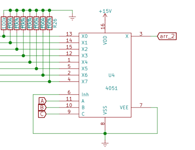
Utilisation de CD4051 et d'interrupteurs

Le signal en sortie de SW4 (suite d'impulsions ou tension continue de 10 volts) est ensuite distribué sur huit interrupteurs. Cela correspond au nombre de pas d'une séquence du séquenceur 8x3. Ces interrupteurs possèdent trois positions : la première distribue le signal sur une entrée du premier multiplexeur, la deuxième distribue le signal sur le deuxième multiplexeur et la troisième ne distribue pas du tout le signal.

distribution du signal sur les huit interrupteurs (choix source à gauche)

Comme dans le séquenceur 3x8, on utilise des multiplexeurs pour lire une à une les tensions disponibles sur les huit interrupteurs. Le fonctionnement du multiplexeur est le même que celui des CD4051 propres au séquenceur, car les broches de contrôle sont connectées entres-elles. Cela assure donc un fonctionnement optimal lorsque les deux modules sont en mode couplé. Chacune des entrées est mise à la masse au travers d'une résistance de 100 kOhms pour éviter un fonctionnement chaotique du module.

Sorties

Le module possède trois sorties qui sont "isolées" entres elles par le biais d'une porte logique "ou" propre à chacune d'elles. Il est possible pour chaque sortie de lire soit la sortie du premier multiplexeur, soit la sortie du deuxième ou alors de lire toutes les impulsions (à utiliser si on veut un convertisseur Gate / Trig).

Connection du module

Afin de pouvoir faire fonctionner le module en mode couplé, il faut relier les deux modules comme suit : (tout en connectant un jack depuis la sortie du LFO interne au séquenceur, vers l'entrée de ce module)

Pour un fonctionnement seul, il suffit juste de connecter un câble jack dans l'entrée du module, puis d'envoyer le signal de Gate à transformer en Trig.

Démonstrations

À venir ...

Conception et fabrication

Galerie

À venir ...

Visuel

Voici le visuel de la façade de ce module, comme cela vous pouvez plus facilement l'imaginer dans votre setup !

Ressources

Si ce module vous intérresse, rendez vous sur cette page, vous y trouverez toutes les ressources nécessaires à sa réalisation.

Historique

13 Août 2019 : Réalisation du circuit imprimé

En cours : Fabrication du module